A/D Converter and CDS Sensor

2022. 5. 27. 19:14·[학부] 전기전자공학/마이크로프로세서
본 실습에서는 ATmeta128 내부의 AD 변환기의 구동 및 이를 이용한 광센서의 아날로그 센서값을 A/D 변환기를 통해서 읽고 간단하게는 광량에 따라서 LED를 켜고 끄는 실습 및 보다 정확한 광량을 7 segment 에 16진수로 표시하는 프로그램을 작성하여 본다.

- ATmega128 A/D 컨버터와 광센서 빛이 없으면 저항값이 커짐, 전압을 읽어서 광량을 측정

- ATmega128의 A/D Converter는 10bit resolution 외부에서 reference voltage

- Free running or Single Conversion Mode

- AD 컨버젼 

- FLAG컨버젼이 끝날 때마다 interrupt

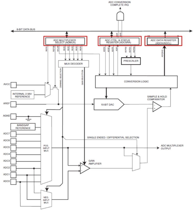
ATmega128 안에 있는 A/D BlockDiagram

A/D Converter(ADC)에는 3가지의 레지스터가 있다.

1) ADMUX (ADC Multiplexer Selection Register)

      - 아날로그 인풋을 고르고 (0~4)

      - 데이터가 저장되는 포맷을 어떻게 가져가는가 (6,7) --> 0,0모드 사용

      - 레퍼런스 voltage (5) => ADLAR = 0 사용

2) ADCSRA (ADC Control and Status Register A)

      -  ADC를 사용할지 말지를 결정하는 것 Enable, Start, Mode Set

      - 가장 첫 번째 비트는1을 주면 enable을 쓰겠다. $87 out명령어 사용

      - 비트6: ADSC(ADC Start Conversion) - 여기 비트를 1로 두면 ADC conversion이 시작된다.

      - 비트5: ADFR(ADC Free Running Select) - 여기를 1로두면 free running 계속하는거,이고 0이면 single conversion모                      드이다. 실행 시킨 한 번만 스타트

      - 비트4: ADIF(ADC Interrupt Flag) 플래그를 모니터링 할 수 있다. ADIF가 1이면 AD sampled data를 갖는다.

      - 비트3: ADIE(ADC Interrupt Enable) 1이면 ADC Conversion

      - 비트2: ADC Prescaler Select Bits

3)  ADCH, ADCL (ADConverter Data Register High/Low)


CDS Sensor

- cadmium sulfide 빛의 양에 따라서 저항값이 변한다

 

 

'[학부] 전기전자공학 > 마이크로프로세서' 카테고리의 다른 글

PutStringP Subroutine  (0) 2022.05.13
Serial Communication  (0) 2022.05.13
[9.1] External Interrupt Control and application to Clock Control  (0) 2022.05.10
Continuous Segment display using delay routine  (0) 2022.05.06
[AVR 어셈블리어] Various Addressing Modes  (0) 2022.04.22
'[학부] 전기전자공학/마이크로프로세서' 카테고리의 다른 글
  • PutStringP Subroutine
  • Serial Communication
  • [9.1] External Interrupt Control and application to Clock Control
  • Continuous Segment display using delay routine
뚱이, not a starfish
뚱이, not a starfish
M.S. Student,. Mainly interested in computer vision and autonomous cars
  • 뚱이, not a starfish
    Wilbur-Babo
    뚱이, not a starfish
  • 전체
    오늘
    어제
    • 분류 전체보기 (194)
      • 통신 및 네트워크 (12)
      • Embedded Projects (2)
      • 3D Reconstruction (1)
        • Gaussian Splatting (0)
        • 3D-GS (1)
        • Multi-view Geometry (0)
        • VSLAM (0)
        • Computer Graphics (0)
      • LLM(VLM) (0)
      • AI-Study (28)
        • Mono-Depth (7)
        • Base (2)
        • Computer Vision (1)
        • Image Processing (3)
        • Tiny Object Detection (3)
      • 자율주행 (20)
        • [2023] 1-fifth AA EV (4)
        • [2022] 1-tenth AA EV (2)
        • ROS 1,2 (4)
        • 이론 (7)
        • 실습 (3)
      • Pointcloud (0)
      • sw (16)
        • 정보보안 (1)
        • Android_develop (3)
      • [학부] 전기전자공학 (12)
        • 반도체 (2)
        • 마이크로프로세서 (6)
      • 코딩테스트 (22)
        • BOJ (21)
      • 취준 (21)
        • EVS37 Ambassador (5)
        • 차량 제어 플랫폼 (5)
        • 영어 (3)
  • 블로그 메뉴

    • 홈
    • 태그
    • 방명록
  • 링크

  • 공지사항

  • 인기 글

  • 태그

    software defined vehicle
    헤네스유아용자동차
    현차 3월 신입 서류
    rc카
    tar 파일
    현대자동차 자율주행
    evs37sdv
    우분투터미널
    EVS37
    헤네스
    현대자동차 서류합격후기
    tar압축풀기
    현대자동차최종불합
    심포지움
    자율주행작품
    현차떨
    자율주행시험
    현대차3월신입후기
    자율주행경진대회
    현대자동차 자율주행 서류 합격 후기
    evs37 sdv
    오픽후기
    자율주행자동차
    자율주행
    정렬
    현대자동차최종면접결과
    현차 자율주행
    현차 3월 자율주행
    현대자동차 연구개발
    오블완챌린지
  • 최근 댓글

  • 최근 글

  • hELLO· Designed By정상우.v4.10.0
뚱이, not a starfish
A/D Converter and CDS Sensor
상단으로

티스토리툴바